Ana içeriğe geç
Menu
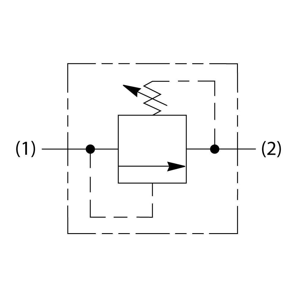
Direct Acting Relief Valves - A04B2PZN
Direct Acting Relief Valves - A04B2PZN
Direct Acting Relief Valves - A04B2PZN
Parker Parker Cartridge Valves Direct Acting Relief Valves

Direct Acting Relief Valves - A04B2PZN

SKU: A04B2PZN
In Stock (15 items)
437 views
€0,00

VAT Included

Product Summary

GLOBAL - Parker’s direct acting relief valves are available in several cavity sizes and are designed for continuous duty applications with pressures up to 420 bar (6000 psi) and flows up to 200 lpm (5...
(15 items available)

Product Description

GLOBAL - Parker’s direct acting relief valves are available in several cavity sizes and are designed for continuous duty applications with pressures up to 420 bar (6000 psi) and flows up to 200 lpm (53 gpm).
Direct acting relief valves are available in -04 to -10 cavity configurations and are designed for continuous duty applications. All products are available with a variety of spring options with pressure ranges as high as 6000 psi in some models. There is a variety of pressure adjustment styles available including screw adjustable, and tamper resistant styles. Tamperproof, factory options are also available. Full flow direct acting relief valves can be used as a main system relief valves in low flow circuits. Direct acting valves are fast acting, therefore, these devices and can be an economical solution for clipping pressure spikes. Poppet style direct acting valves have low leak conditioned seats and are often used as a port relief in a cylinder control applications. Small, low flow, direct acting valves are ideal for controlling pilot circuits or limiting load sense pressure. Standard bodies in aluminum and steel are offered as well as a variety of seal options. Typical applications are in mobile equipment, such as agricultural machines, aerial equipment, refuse vehicles, industrial power unit systems, mining equipment, and other heavy duty fluid power pressure control circuits. Common circuit applications include: Cross port relief, swing relief, port relief, pilot relief, system relief, pressure limiting, spike relief, motor braking, steering relief, load sense relief. Features • Hardened, precision ground parts for durability • Compact size for reduced space requirements • Low leakage design poppet design available • Fast response • All external parts zinc plated. Multiple spring ranges are available. All valves are 100 % tested.
The Parker Direct Acting Relief Valves - A04B2PZN is a high-quality relief valve designed to provide reliability and performance in industrial applications. Capable of handling pressures up to 420 bar (6000 psi) and flow rates of 200 lpm (53 gpm), these valves are ideal for continuous operation requirements. Constructed entirely from steel, with hardened steel used for all operating components, this valve enhances durability and longevity. Its operating temperature range of -30 °F (-34 °C) ensures dependable performance across a wide temperature spectrum. Meeting industry standards, Parker valves are commonly utilized in various industrial processes, hydraulic systems, and safety applications. With its robust design and high performance, the Parker A04B2PZN is an indispensable product for engineers seeking safe and effective solutions.

Technical Specifications

Weight 0.62 lb, 0.28 kg
Division Hydraulic Valve Systems Division Europe
Function Direct Acting
Flow Rate 28 GAL/MIN, 100 L/MIN
Leak Rate 5 drops/min @ 1450 Psi (100 bar), 0.33 cm3/min @ 1450 Psi (100 bar)
Cavity Size C10-2
Body Material n/a
Configuration Pressure Relief
Mounting Type Screw-in Cartridge
Seal Material Nitrile
Actuation Type Pressure Sensing
For Fluid Type Mineral-based Hydraulic Fluids, Synthetic Hydraulic Fluids
Operation Type Automatic
Valve Material Steel (all parts), Hardened Steel (all operating parts)
Reseat Pressure n/a
Maximum Flow Rate 26 gal/min, 100 L/min
Installation Torque 37 lb-ft, 50 Nm
Adjustment Mechanism Screw
Maximum Tank Pressure 6000 psi, 420 bar
Operating Temperature -30 to 250 °F, -34 to 121 °C
Pressure Control Range 72 to 6000 psi, 5 to 420 bar
Filter Efficiency Rating ISO 4406 18/16/13, SAE Class 4
Maximum Pressure Setting 6000 psi, 420 bar
Standard Setting Pressure 2900 psi, 200 bar
Wire Mesh Screen Included n/a
Maximum Operating Pressure 6000 psi, 420 bar
Maximum Kinematic Viscosity 45-2000 SSU (6 to 420 cSt)
Pressure Control Sensitivity 630 psi Per Turn, 43.4 bar Per Turn
Maximum Inlet Pressure Rating 6000 psi, 420 bar
Maximum Operating Temperature 250 °F, 121 °C
Minimum Operating Temperature -30 °F, -34 °C
Brand Parker
Model Direct Acting Relief Valves - A04B2PZN
SKU A04B2PZN
Main Category Parker

Shipping & Returns Information

Shipping Information

  • Shipped within 2-3 business days
  • Free shipping over 500 TL
  • Insured shipping

Return & Exchange

  • 14 days return right
  • Return in original packaging
  • Fast processing guarantee